Email Us
misson magnum xp centrifugal pumps manufacturers
misson magnum xp centrifugal pumps manufacturers
misson magnum xp centrifugal pumps for sale
misson magnum xp centrifugal pumps factory
misson magnum xp centrifugal pumps suppliers

Misson Magnum XP Centrifugal Pumps

The Mission Magnum XP is a powerful, high-volume, heavy-duty centrifugal pump engineered for the most demanding applications. It is ideally suited for pumping heavy slurries that are abrasive, corrosive, or simply tough to handle, making it a trusted choice in industries from oil and gas to mining and industrial processing.


Key Design Features of Misson Magnum XP Centrifugal Pumps

  • One-piece, thicker concentric casings with a full pipe diameter entrance for minimum turbulence and maximum efficiency.

  • Long-life, no-adjustment mechanical seal available for near-zero leakage.

  • Replaceable shaft sleeve and lip seals (labyrinth seals optional) for maximum bearing protection.

  • Easily accessible front access drain.


Structure of Magnum XP Pumps

Structure of Magnum XP Pumps


Robust Performance and Compact Design

The Magnum XP delivers exceptional flow rates from 3,000 to 7,500 GPM and head pressures up to 540 feet, even at low operating speeds. Despite its high-power performance, the pump features compact overall dimensions, making it an excellent choice for both mobile and stationary applications where a small footprint is critical.


Engineered for Maximum Durability and Life

Built for continuous operation with minimal maintenance, the Magnum XP incorporates several key features to extend service life:

  • Extended Seal Life: A low stuffing box pressure—achieved through improved impeller expeller vanes—can increase seal life by approximately 50%. This is complemented by an extra-heavy, stout shaft (2½" at seal, 3" at bearings) designed for minimal deflection, ensuring maximum seal life.

  • Doubled Bearing Life: A unique casing flow divider (on models 12x10x23 and 14x12x22) cuts radial load in half, effectively doubling bearing life. The pump utilizes heavy-duty, permanently lubricated duplex angular contact bearings for minimal maintenance.

  • Superior Fluid End Life: The concentric-style casing with a large recirculation area and a wide-tip impeller reduces fluid velocity, creating a smooth flow pattern that greatly extends the life of the fluid end.

  • Advanced Metallurgy: Constructed from durable materials like hard iron or high-chrome alloys, with improved metallurgy offering 26-28% Chrome and a material hardness of 63-65 HRC for exceptional wear resistance.


Applications & Available Sizes

The Magnum XP is versatile and commonly used for:

  • Oil & Gas: Well stimulation blenders (fracking).

  • Mining & Dredging: Sand slurry, dredge tailings, copper, bauxite, lead, zinc ore and tailings, nickel shot.

  • Industrial: Slag, fly ash, bottom ash, paper pulp processing, spent liquor, waste slurries.

  • Marine: Supply boat mud transfer.

  • General: Food processing, blending, sewage, fluid supercharging.

  • Available Sizes: 8x6x18, 12x10x23, 14x12x22


Performance Curve of 14X12X22

Performance Curve of Misson Magnum XP Centrifugal Pumps

Performance Curve of Misson Magnum XP Centrifugal Pump


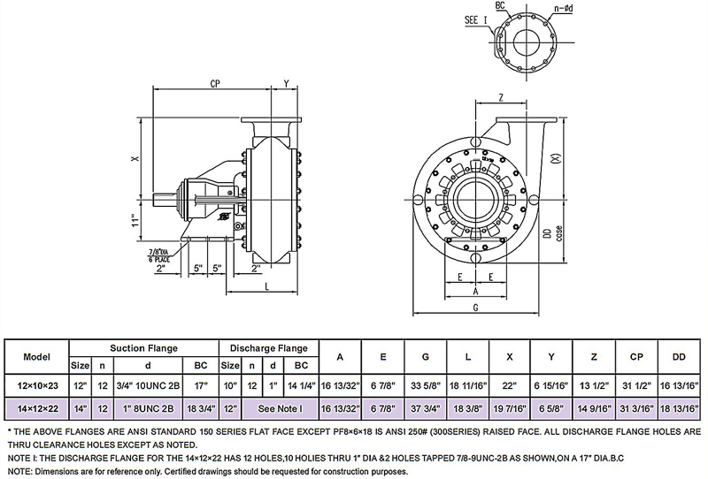
Outline Dimensions of Misson Magnum XP Centrifugal Pumps

Outline Dimensions of Misson Magnum XP Centrifugal Pumps

More Pictures About Misson Magnum XP Centrifugal Pumps

  • misson magnum xp centrifugal pumps manufacturers
  • misson magnum xp centrifugal pumps for sale
  • misson magnum xp centrifugal pumps factory
  • misson magnum xp centrifugal pumps suppliers
By First Pump
Need a Centrifugal Pump Solution? Get a Free Consultation Today!
Our experts will solve them in no time.
To Know First Pump More
Address
No. 9 Beihe Street, Xingtang Economic Development Zone, Shijiazhuang City, Hebei Province, China.
We use cookies to offer you a better browsing experience, analyze site traffic and personalize content. Part of the tracking is necessary to ensure SEO effectiveness,
By using this site, you agree to our use of cookies. Visit our cookie policy to learn more.
Reject Accept