Email Us
xs double suction split case centrifugal pumps factory
xs double suction split case centrifugal pumps factory
xs double suction split case centrifugal pumps manufacturers
xs double suction split case centrifugal pumps suppliers

XS Double Suction & Split Case Centrifugal Pumps

The XS Series of represents a new generation of high-performance, energy-efficient, single-stage, double-suction split-case centrifugal pumps. Designed as a comprehensive upgrade to older models like SH, S, SA, SLA, and SAP, these pumps are engineered for reliability, versatility, and reduced total cost of ownership. This series of pumps have a high degree of standardization and versatility, incorporating modern materials, operational stability and ease of maintenance.


Design Features & Advantages of XS Double Suction & Split Case Centrifugal Pumps


  • Robust & Stable Operation: A short spacing between bearing supports ensures smooth operation with minimal vibration and noise, allowing for potential operation at higher speeds and a wider application range.

  • Simplified Piping: The inlet and outlet nozzles are on the same centerline, facilitating straightforward, space-saving, and aesthetically pleasing pipeline layout.

  • Bidirectional Operation: The entire rotor assembly can operate in reverse, significantly reducing the risk of water hammer damage.

  • High-Temperature Capability: A unique high-temperature design featuring a centerline support, thickened casing, sealed cooling, and oil-lubricated bearings allows for operation with media up to 200°C, making it ideal for heating networks.

  • Installation Flexibility: The pump can be installed either horizontally or vertically to suit specific site conditions and can be fitted with either mechanical seals or gland packing.

  • High Efficiency: Utilizing an advanced hydraulic model, the XS pump achieves an efficiency 2-3% higher than comparable pumps, leading to significant operational cost savings.

  • Low NPSHr: The required NPSH is 1-3 meters lower than similar split-case pumps, reducing civil engineering costs and extending service life.

  • Customizable Material Configurations: A variety of material combinations for wetted parts (e.g., cast iron, ductile iron, stainless steel, bronze) are available to handle different fluids, including clean water, corrosive chemicals, and sea water.

  • Easy Maintenance: Features such as non-adjusting mechanical seals, elastic pre-stress assembly, and imported bearings make maintenance, disassembly, and reassembly simple and rapid, minimizing downtime.

Pump Supporting Program and Services of XS Double Suction & Split Case Centrifugal Pumps

We value the energy saving and environmental protection, by analyzing the requirements of media and operation environment, adopt optimal combinations of materials at the parts contact with media, insure security, reliability, economical operation.


Item

pump supporting

program A

pump supporting program Q

pump supporting

program B

pump supporting programs

1

2

1

2

3

pump casing

Grey cast iron

Ductile cast iron

Ductile cast iron

Extra low carbon stainless steel

Ni一cr

chromium cast iron

Ductile cast iron

Stainless

steel

Impeller

Grey casting iron

cast steel

Stainless steel

Duplex S.S.

Tin bronze

Tin bronze

Tin bronze

shaft

#45 steel

#45 steel

Stainless steel

Duplex S.S.

2cr13

2cr13

2cr13

Shaft sleeve

#45 steel

#45 steel

Stainless steel

Extra low carbon stainless steel

1cr18NigTi

1cr18NigTi

1cr18NigTi

wear ring

Grey casting iron

cast steel

cast steel

Duplex S.S.

Tin bronze

Tin bronze

Tin bronze

Services

For pure water and lower strength applications

For pure water high strength applications

For media with more solid impurities, PH<6  chemical corrosion and for high strength applications

The sea water pump

These configurations are recommeded by the manufacturer, customers could change their materials according to specific needs.


Model Nomenclature Example: XS 250-450A-L(R)-J

  • XS: Advanced Split-Case Centrifugal Pump

  • 250: Pump Outlet Diameter (mm)

  • 450: Standard Impeller Diameter (mm)

  • A: Modified Impeller Diameter (omitted for max diameter)

  • L: Vertical Mount

  • R: Heating Water Type

  • J: Modified Rotational Speed (omitted for standard speed)


Primary Performance Parameters of XS Double Suction & Split Case Centrifugal Pumps

Pump Outlet Diameter (DN)

80 ~ 1000 mm

Flow Rate (Q)

22 ~ 16,236 m³/h

Head (H)

7 ~ 300 m

Operating Temperature (T)

-20°C ~ +200°C

Solid Particle Content

≤ 80 mg/L

Maximum Allowable Working Pressure

≤ 5 MPa



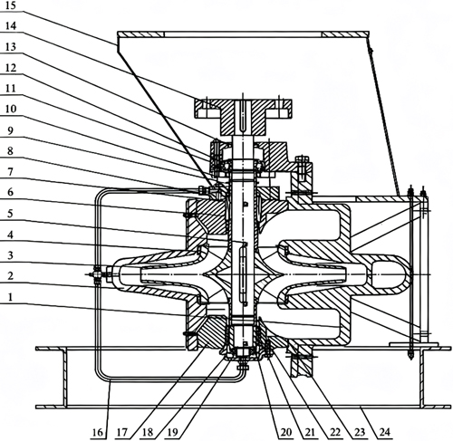
Structure I

xs-double-suction-split-case-centrifugal-pumps-for-sale.jpg

1

Casing

2

Bearing Support

3

Deep Groove Ball Bearing

4

Lock Nut

5

Skeleton Oil Seal

6

Bearing Ring

7

Bearing Cover

8

Shaft Sleeve

9

Mechanical Seal Cover

10

Mechanical Seal

11

Seal Bushing

12

Casing Cover

13

Impeller

14

Impeller Ring

15

Seal Cage

16

Seal Housing

17

Water Sealing Pipe

18

Packing

19

Packing Gland

20

Bearing Liner

21

Shaft

22

Coupling


Structure II

xs-double-suction-split-case-centrifugal-pumps-manufacturer.jpg

1

Bearing Support

2

Lock Nut

3

Disc Spring

4

Bearing Liner

5

Bearing

6

Bearing Support Cover

7

Bearing Cover

8

Water Deflector

9

Sleeve Nut

10

Mechanical Seal Cover

11

Shaft Sleeve

12

Mechanical Seal

13

Water Sealing Pipe

14

Casing Cover

15

Impeller

16

Impeller Retainer

17

Impeller Ring

18

Gland Packing Sleeve

19

Shaft Sleeve

20

Gland Packing

21

Seal Cage

22

Packing Gland

23

Sleeve Nut

24

Coupling

25

Shaft

26

Casing


Structure III

xs-double-suction-split-case-centrifugal-pumps-supplier.jpg

1

Casing

2

Bearing Cover

3

Lock Nut

4

Bearing Support

5

Deep Groove Ball Bearing

6

Bearing Ring

7

Mechanical Seal Cover

8

Mechanical Seal

9

Shaft Sleeve

10

Casing Cover

11

Impeller Retainer

12

Impeller Ring

13

Impeller

14

Water Sealing Ring

15

Stuffing Box Liner

16

Cylindrical Roller Bearing

17

Sleeve Nut

18

Coupling

19

Water Deflector

20

Sleeve Nut

21

Packing Gland

22

Packing

23

Seal Cage

24

Shaft

25

Base


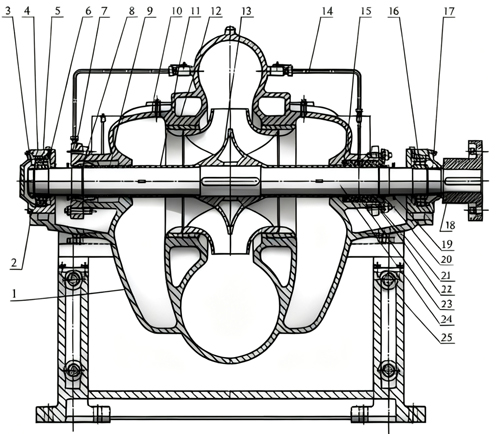
Structure IV

xs-double-suction-split-case-centrifugal-pumps-factories.jpg

1

Casing

2

Casing Cover

3

Impeller

4

Wearing Ring

5

Shaft

6

Seal Housing

7

Packing Seal or Mechanical Seal

8

Gland for Packing Seal or Mechanical Seal

9

Shaft Sleeve

10

Bearing Cover

11

Bearing Support

12

Bearing

13

Skeleton Oil Seal

14

Coupling

15

Motor Stool

16

Water Sealing Pipe

17

Guide Bearing Seal Housing

18

Guide Bearing Gland

19

Lock Nut

20

Shaft Sleeve

21

Guide Bearing

22

Shaft Sleeve

23

O-ring

24

Base


Key Applications of XS Double Suction & Split Case Centrifugal Pumps

XS pumps are ideally suited for a wide range of fluid transfer applications, including:

  • Water treatment plants

  • Air conditioning circulation systems

  • Heating network and district heating systems

  • Building water supply

  • Irrigation and drainage pump stations

  • Industrial water supply systems

  • Fire protection systems

  • Marine and shipbuilding industry

  • Mine dewatering and water supply


The XS Series Double-Suction Split-Case Pump is a modern, versatile, and economically efficient pumping solution. Its robust construction, operational flexibility, high efficiency, and low maintenance requirements make it an excellent choice for demanding applications across municipal, industrial, and commercial sectors.

More Pictures About XS Double Suction & Split Case Centrifugal Pumps

  • xs double suction split case centrifugal pumps factory
  • xs double suction split case centrifugal pumps manufacturers
  • xs double suction split case centrifugal pumps suppliers
By First Pump
Need a Centrifugal Pump Solution? Get a Free Consultation Today!
Our experts will solve them in no time.
To Know First Pump More
Address
No. 9 Beihe Street, Xingtang Economic Development Zone, Shijiazhuang City, Hebei Province, China.
We use cookies to offer you a better browsing experience, analyze site traffic and personalize content. Part of the tracking is necessary to ensure SEO effectiveness,
By using this site, you agree to our use of cookies. Visit our cookie policy to learn more.
Reject Accept